Project information
- Project date: Janurary, 19 2026 - February 2, 2026
- Tools: Intel Quartus, Intel Altera DE1-SoC FPGA, ModelSim, Qsys
- Link to YouTube Video
- Link to Lab Report
Summary
Lorenz System Solver:
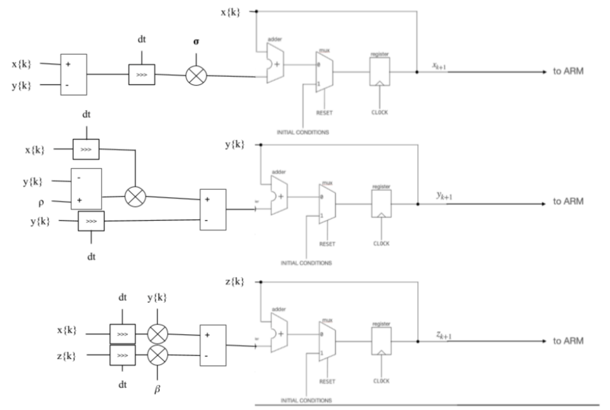
Hardware Differential Equation Solver
FPGA Design Project
As part of Cornell’s Hardware Acceleration via FPGA course (ECE 5760), my group and I designed a hardware ordinary differential system solver for the Lorenz system on an Intel Altera DE1-SoC FPGA. We implemented a hardware design that solved the Lorenz system of equations in real time and displayed the results on a VGA monitor. The project involved designing the hardware architecture, implementing the necessary mathematical computations.